【TURCK FCS-G1/2HC4-NAEX0/L065/D024流量计、流量传感器,订货号:6870393】 探头材质Hastelloy C4传感器长度:65 mm验收合格证3.1满足EN 10204认证FCS-G1/2HC4-NAEX0/L065/D024流量计、流量传感器
FCS-G1/2HC4-NAEX0/L065/D024简介

常用数据
| EAN | 4047101173505 |
| eCl@ss-Code (V5.1.4): | 27273190 -/- 流量计 (不分类) |
| 关税编号 | 90261021000 |
| 原产国 | DE |
| 重量 | 333 g |
技术数据
| 功能 | 流量报警 |
| 设计 | 浸入式 |
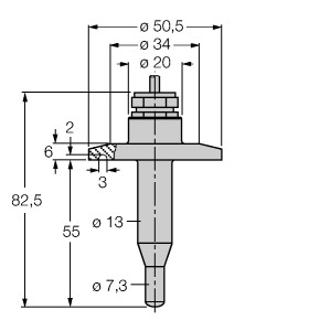
| 过程连接 | G 1/2” |
| 介质 | 液体 |
| 检测类型 | 热式 |
| 电气连接 | 线缆 |
| 线缆长度 | 2.0 m |
| 探头材料 | 金属 |
| 外壳材料 | 金属 |
| 外壳材料 | 哈氏合金 C4 / 2.4610 |
| 介质温度(最低) | -20 |
| 介质温度(最高) | 60 |
| 防护等级 | IP67 |
| 认证 | ATEX II 1/2 G, ATEX II 2 G, ATEX II 3 G |
